发帖数

52

原创数

51

关注者

12

阅读数

16691

点赞数

0

郭嘉

  • 晶体三极管放大电路静态工作点稳定的重要性讲解3


    大家好!我是张飞实战电子郭嘉老师,今天给大家分享晶体三极管放大电路静态工作点稳定的重要性讲解3。

    静态工作点的估算:

    Ii>>Ibq,    Ubq=VCC*Rb1/(Rb1+Rb2),

    发射极电流Ibq=(Ubq-Ubeq)/Re

    由于Icq=Ieq,管压降Uceq≈VCC-Icq(Rc+Re)

    基极电流  Ibq=Ieq/(1+β)

    此时应当指出,不管电路参数是否满足Ii>>Ibq,Re的负反馈作用都是存在的。利用戴维南定理可知,

    图片1.jpg

    Vbb=VCC*Rb1/(Rb1+Rb2),Rb=Rb1//Rb2,列输入回路方程,Vbb=Ibq*Rb+Ubeq+IeqRe,可得Ieq=(Vbb-Ube)/(Rb/(1+β)+Re),当Re>>Rb/(1+β),即(1+β)Re>>Rb时,Ieq的表达式与(1+β)Re与Rb1和Rb2的大小关系来判断Ii>>Ibq。

    动态参数的估算,

    图片2.jpg图片3.jpg

       图(1)                   图(2)


    图(2)的电路交流等效电路如图(1)所示,电容Ce为旁路电容,容量很大,对交流信号可视为短路。若将Rb1//Rb2看作一个电阻Rb,图(1)所示的电路与阻容耦合共射放大电路的交流等效电路。


    阻容耦合Q点稳定电路的交流等效电路

    图片4.jpg

    有旁路电容时的交流等效电路

    图片5.jpg

    无旁路电容时的交流等效电路

    动态参数Au=Uo/Ui=-βR’L/rbe(R’L=Rc//RL)

    Ri=Ui/Ii=Rb//rbe=Rb1//Rb2//rbe

    Ro=Rc

    倘若没有旁路电容Ce,则图4(a)所示电路的交流等效电路,如图3b所示。

    图片6.jpg

    4a

    图片7.jpg


    由上图可知,Ui=Ib rbe+Ie Re=Ib rbe+(1+β)Ib Re

    Uo=-Ic R’L

    所以,

        Au=Uo/Ui=-βR’L  /【rbe+(1+β)Re】(R’L=Rc//RL)

    Ri=Ui/Ii=Rb1//Rb2//【rbe+(1+β)Re】

    Ro=Rc

    若在Au=Uo/Ui=-βR’L  /【rbe+(1+β)Re】(R’L=Rc//RL)中,(1+β)Re>>rbe,

    且β>>1,则Au=Uo/Ui≈- R’L/Re  (R’L=Rc//RL)

    由上面可知,虽然Re使/Au/减小了,但是由于Au仅决定于电阻取值,不受环境温度的影响,所以温度稳定性好。


    收藏 0 回复 0 浏览 375
  • 晶体三极管放大电路静态工作点稳定的重要性讲解2

    大家好!我是张飞实战电子郭嘉老师,今天给大家分享晶体三极管放大电路静态工作点稳定的重要性讲解2。

    静态工作点一般在三极管放大电路中,三极管静态工作点是指交流信号为0时,三极管处于直流放大状态,得到的电流、电压的数值可用晶体管特性曲线上一个确定的点表示,这个点习惯上称为“静态工作点Q” 。工程师设置静态工作点的目的就是让放大的交流信号加入到这个放大电路中时,无论是上半周还是下半周都能满足三极管be的正偏电压。Ce反向偏置的三极管放大状态。

    图片1.jpg


    静态工作点不但决定了电路是否会产生失真,而且还影响其电流放大倍数、输入电阻等动态参数。实际上,电源电压的波动、元件的老化以及因温度变化引起的晶体三极管参数的变化,都会造成静态工作点的不稳定,从而使动态参数不稳定,有时电路无法正常工作。在引起Q点诸多不稳定因素当中,温度对晶体管的参数的影响是最为重要的。

    图片2.jpg

    绿线是20℃时的输出特性曲线,蓝线为40℃时的输出特性曲线,从图可知,当环境温度升高时,晶体管的电流放大倍数β增大,穿透电流Iceo也会随之增大。这一现象集中表现为Icq明显增大,共射电路中晶体管的压降Uce将减小,Q点会沿着直流负载线上移动到Q’,向饱和区变化,而要想使之回到原来位置,必须要减小基极电流Ibq。可以想想,当温度降低时,Q点将沿直流负载线下移,向截止区变化,要想使之基本不变,则必须增大Ibq。

    由此可见,所谓的稳定的Q点,通常是指在环境温度变化时静态工作集电极电流Icq和管压降Uceq基本不变,即Q点在晶体管输出特性坐标平面中的位置基本不变,而且必须依靠Ibq的变化来抵消Icq和Uceq的变化。常用引入直流负反馈或温度补偿的方法使Ibq在温度变化时产生与Icq相反的变化。

    图片3.jpg图片4.jpg

    图(1) 直接耦合电路   图(2)图(1)图(3直流通路

    图片5.jpg图(3阻容耦合电路



    上图是典型的静态工作点稳定电路,1、电路组成和Q点稳定电路的原理,图(1)为直接耦合电路;图(2):图(1)和图(3)有相同的直流通路;图(3)阻容耦合方式

    在图(2)所示的电路中,节点B的电流方程为,I2=I1+Ibq,为了稳定Q点,通常使参数的选取满足I1》Ibq,因此I2≈I1,B点电位为Ubq≈Rb1*VCC/(Rb1+Rb2),从这个世子可以看出,基极的电位几乎仅决定Rb1与Rb2对VCC的分压,而与环境温度无关,即当温度变化时Ubq基本不变。

    当温度升高时,集电极Ic电流增大,必然Ie电流也会相应的增大,因而三极管发射极的负反馈电阻Re上的电压Ue也会随之增大。Q3三极管的be两端压降减小,即Vbe减小,Ib减小,Ic必然也会相应的减小,这样就实现了负反馈,因此Ubq基本不变。而Ube=Ub-Ue,所以Ube必然减小,导致Ib基极电流减小,Ic也会随之相应的减小。结果就是,Ic随着温度升高而增加的部分几乎被由于Ib减小的部分相抵消了,Ic基本不变,Uce也将基本不变,从而Q点在三极管的输出特性坐标平面上基本保持不变。可将上述过程简写为:

    image.png

    当温度降低时,各物理量向相反方向变化,Ic和Uce基本不变。不难看出,在反馈过程中,负反馈电阻Re,起到至关重要的作用。当晶体三极管的输出回路电流Ic变化时,通过Re两端的压降变化来影响b-e间的电压,从而使Ib向相反方向变化,达到稳定Q点的目的。这种讲输出量Ic通过一定的方式,利用Re将Ic的变化转换成电压的方式,引回到输入回路影响输入量Ube的措施就叫反馈。由于反馈的结果对输出量的变化减小,顾称作负反馈。又由于反馈出现在直流通路中,故称为直流负反馈。Re为直流负反馈电阻。

    静态工作点的估算:

    Ii>>Ibq,    Ubq=VCC*Rb1/(Rb1+Rb2),

    发射极电流Ibq=(Ubq-Ubeq)/Re

    由于Icq=Ieq,管压降Uceq≈VCC-Icq(Rc+Re)

    基极电流  Ibq=Ieq/(1+β)

    此时应当指出,不管电路参数是否满足Ii>>Ibq,Re的负反馈作用都是存在的。利用戴维南定理可知,

    图片6.jpg

    Vbb=VCC*Rb1/(Rb1+Rb2),Rb=Rb1//Rb2,列输入回路方程,Vbb=Ibq*Rb+Ubeq+IeqRe,可得Ieq=(Vbb-Ube)/(Rb/(1+β)+Re),当Re>>Rb/(1+β),即(1+β)Re>>Rb时,Ieq的表达式与(1+β)Re与Rb1和Rb2的大小关系来判断Ii>>Ibq。



    收藏 0 回复 0 浏览 413
  • 晶体三极管放大电路静态工作点稳定的重要性讲解1

    大家好!我是张飞实战电子郭嘉老师,今天给大家分享晶体三极管放大电路静态工作点稳定的重要性。


    静态工作点不但决定了电路是否会产生失真,而且还影响其电流放大倍数、输入电阻等动态参数。实际上,电源电压的波动、元件的老化以及因温度变化引起的晶体三极管参数的变化,都会造成静态工作点的不稳定,从而使动态参数不稳定,有时电路无法正常工作。在引起Q点诸多不稳定因素当中,温度对晶体管的参数的影响是最为重要的。

    image.png

    绿线是20℃时的输出特性曲线,蓝线为40℃时的输出特性曲线,从图可知,当环境温度升高时,晶体管的电流放大倍数β增大,穿透电流Iceo也会随之增大。这一现象集中表现为Icq明显增大,共射电路中晶体管的压降Uce将减小,Q点会沿着直流负载线上移动到Q’,向饱和区变化,而要想使之回到原来位置,必须要减小基极电流Ibq。可以想想,当温度降低时,Q点将沿直流负载线下移,向截止区变化,要想使之基本不变,则必须增大Ibq。

    由此可见,所谓的稳定的Q点,通常是指在环境温度变化时静态工作集电极电流Icq和管压降Uceq基本不变,即Q点在晶体管输出特性坐标平面中的位置基本不变,而且必须依靠Ibq的变化来抵消Icq和Uceq的变化。常用引入直流负反馈或温度补偿的方法使Ibq在温度变化时产生与Icq相反的变化。

    image.png

      图(1) 直接耦合电路            图(2):图(1)和图(3)直流通路

    image.png

    图(3)阻容耦合电路


    上图是典型的静态工作点稳定电路,1、电路组成和Q点稳定电路的原理,图(1)为直接耦合电路;图(2):图(1)和图(3)有相同的直流通路;图(3)阻容耦合方式


    在图(2)所示的电路中,节点B的电流方程为,I2=I1+Ibq,为了稳定Q点,通常使参数的选取满足I1》Ibq,因此I2≈I1,B点电位为Ubq≈Rb1*VCC/(Rb1+Rb2),从这个世子可以看出,基极的电位几乎仅决定Rb1与Rb2对VCC的分压,而与环境温度无关,即当温度变化时Ubq基本不变。


    当温度升高时,集电极Ic电流增大,必然Ie电流也会相应的增大,因而三极管发射极的负反馈电阻Re上的电压Ue也会随之增大。Q3三极管的be两端压降减小,即Vbe减小,Ib减小,Ic必然也会相应的减小,这样就实现了负反馈,因此Ubq基本不变。而Ube=Ub-Ue,所以Ube必然减小,导致Ib基极电流减小,Ic也会随之相应的减小。结果就是,Ic随着温度升高而增加的部分几乎被由于Ib减小的部分相抵消了,Ic基本不变,Uce也将基本不变,从而Q点在三极管的输出特性坐标平面上基本保持不变。可将上述过程简写为:

    image.png

    当温度降低时,各物理量向相反方向变化,Ic和Uce基本不变。不难看出,在反馈过程中,负反馈电阻Re,起到至关重要的作用。当晶体三极管的输出回路电流Ic变化时,通过Re两端的压降变化来影响b-e间的电压,从而使Ib向相反方向变化,达到稳定Q点的目的。这种讲输出量Ic通过一定的方式,利用Re将Ic的变化转换成电压的方式,引回到输入回路影响输入量Ube的措施就叫反馈。由于反馈的结果对输出量的变化减小,顾称作负反馈。又由于反馈出现在直流通路中,故称为直流负反馈。Re为直流负反馈电阻。



    收藏 0 回复 0 浏览 367
  • 如何避免OCL电路交越失真设计

    大家好!我是张飞实战电子郭嘉老师,今天给大家分享如何避免OCL电路交越失真设计。


    01
    OCL电路的组成及工作原理

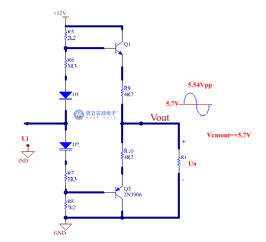
    为了消除基本OCL电路所产生交越失真,应当设置合适的静态工作点,使两只放大晶体三极管均工作在临界导通或微导通状态。能够消除交越失真的OCL电路如图1所示。

    image.png

    图(1)消除交越失真的OCL电路

    在上图中,静态时,从+12V经过R5、R6、D1、D2、R7、R8到GND有一个直流电流,它在Q1和Q2管两个基极之间所产生的电压为Ub1b2=UR6+UD1+UD2+UR7,使Ub1b2略大于Q1管发射结和Q2管发射结开启电压之和,从而使两只管子均处于微导通态,即都有一个微小的基极电流,分别为Ib1和Ib2。调节R6和R7,可使发射极静态电位Vout为0V,即输出电压Vo为0V.


    当所加信号Ui按正旋规律变化时,由于二极管D1、D2的动态电阻很小,而且R6和R7的阻值也比较小,因而可以认为Q1管基极电位的变化与Q2管基极电位的近似相等,即Ub1≈Ub2≈Ui。


    也就是说,可以认为两管基极之间电位差基本是一个恒定值,两个基极的电位随Ui产生相同变化。这样,当Ui>2.5V且逐渐增大时Vbe1逐渐变大,Q1的基极电流Ib1随之增大,发射极电流Ie1也必然增大,负载电阻RL上得到正方向的电流;与此同时,Ui的增大使Veb2减小,当减小到一定数值时,Q2管截至。同样道理,当Vi<2.5v且逐渐减小时, Veb2逐渐增大,Q2的基极电流Ib2随之增大,发射极电流Ie2必然也会增大,负载电阻RL上得到负方向的电流;与此同时,Ui的减小,使Vbe1减小,当减小到一定数值时,Q1管截至。这样,即使Ui很小,总能保证至少有一个晶体三极管导通,因此消除了交越失真。Q1和Q2管在Ui的作用下,其输入特性的中的图解分析如图3所示:

    image.png

    图(1.1)  输入特性的中的图解分析


    Q1和Q2静态工作点以下,输入信号越大到越小,到Q1截至,Ui无信号,Q1又回到了静态工作点电流。


    输入信号越小到越大,到Q2截至,Ui很小的时候(无信号),Q2又回到了静态工作点电流。


    综上所述,输入信号的正半周主要是Q1管发射极驱动负载,负半周主要是Q2管发射极驱动负载,而且两管的导通时间都比输入信号的半个周期要长,即在输入电压很小的时候,两只管子同时导通,因而他们工作在甲乙类状态。


    值得注意的是,若静态工作点失调,例如R6、D1、D2、R7中的任意一个元器件虚焊,则从12V经过R5、Q1管的发射结,R9R10,Q2的发射结到R8到GND形成一条通路,有较大的基极电流Ib1和Ib2流过,从而导致Q1和Q2有很大的集电极电流Ic1和Ic2,且每只管子的最大管压降VCE都约等于12V,以至于Q1和Q2管可能因为功耗过大而损坏。因此,R9和R10的作用就非常重要了,可以分担Q1Q2 的VCE的压降。


    02
    OCL电路的的输出功率及效率

    功率放大电路最重要的技术指标是电路的最大输出功率Pom及效率η ( 伊塔)。为了求解Pom,需首先求出负载上能够得到的最大输出电压幅值。当输入电压足够大,且有不产生饱和失真时,电路的分析如图3.2所示。

    image.png

    图中的I区为Q1的输出特性,II区为Q2的输出特性。因两只管子的静态电流很小,所以可以认为静态工作点在横轴上,如上图所标注的,因而最大输出电压幅值等于电源电压减去晶体管的饱和压降,即(Vcc-Vces1)。


    实际上,即使不画出图形,也能得到同样的结论。可以想象,在正旋波的正半周,Ui从0逐渐增大,输出电压也随之逐渐增大,Q1管的CE管压降必然逐渐减小,当管压降下降到饱和压降时,输出电压达到最大值,其值为(Vcc-Vces1),因此最大不失真输出电压的有效值:

    Uom=(Vcc-Vces1)/图片,假设三极管参数等一样,饱和压降也一样,即Vces1=-Vces2=Vces。


    最大输出功率:Pom=Uom^2/R=(Vcc-Vces)^2/2RL+2R9 或R10    一个周期内回路阻抗2RL+2R9


    在忽略基极回路电流的情况下,电源Vcc提供的电流:

    Ic=(Vcc-Vces)/RLsinwt


    电源在负载获得最大交流功率时,所消耗的的平均功率等于平均电流于电源电压之积,

    Pv=1/Π图片(Vcc-Vces)/RLsinwt*Vcc dwt=2/Π*Vcc(Vcc-Vces)/RL

    整理后得到,转换效率

    η.=Pom/Pv=Π/4*(Vcc-Vces)/Vcc

    在理想情况下,即饱和管的压降可忽略不计,R9和R10比较小忽略不计(Q1和Q2射极负反馈电阻),的情况下

    Pom=Uom^2/RL=Vcc^2/2RL

    Pv=2/Π*Vcc^2/RL

    η.=Pom/Pv=Π/4=78.5%


    这里应当注意,大功率饱和管压降为2-3v,因而一般情况下不能忽略饱和管的压降,即不能用上面的三个式子。


    03
    OCL电路中晶体管的选择

    在功率放大电路中,应根据晶体管所承受的最大管压降Vces、集电极最大的电流Icm和最大的功耗来选择晶体管。


    1、最大的管压降

    从OCL电路工作原理的分析可知,两只功放管中Q1和Q2处于截至状态的管子将承受较大的管压降。假设输入电压Ui为正半周,Q1导通,Q2截至,当Ui从0开始增加到峰值时,Q1和Q2管的发射极电位Ve逐渐增加到(VCC-Vces1),因为Q2管的管压降Vec2的数值 Vec2=(Ve-0)=Ve,Vce2max=Vcc-Vces1,由于Ie平均电流比较小,R9R10阻值比较小,所以先忽略这两个电阻产生的压降。.利用同样的分析方法去分析,可得:

    当Ui为下半周值时,Q1管承受最大的管压降,数值为VCC-Vces2.所以考虑要预留一定的余量,管子承受最大的压降为/Vcemax/=Vcc。


    2、集电极最大电流

    从电路最大输出功率的分析可知,晶体管的发射极电流等于负载电流,负载电阻上的的最大电压为Vcc-Vces1,故集电极电流的最大值为:

    Ic≈Iemax=(Vcc-Vces1)/RL

    考虑留有一定余量

    Icmax=Vcc/RL


    3、集电极最大功率

    在功率放大电路中,电源提供的功率,除了转换输出功率外,其余部分主要消耗在功率管Q1和Q2上,可以认为晶体管所损耗的功率Pq=Pv-Po。当激励信号输入电压为2.5v时,即输出功率最小时,由于集电极电流非常小,使管子的损耗很小;当输入电压最大时,即输出功率最大,由于管子压降很小,使管子的损耗也很小;可见,管耗最大既不会发生在电压电压最小时,也不会发生在输入电压最大时。下面列出了晶体管的集电极功耗Pq与输出电压峰值Vom的关系,然后对Vom求管压降和集电极电流瞬时值的表达式:

    Vce=(Vcc-Vomsinwt),Ic=Vom/R

    image.png

    L*sinwt

    功耗Pq为功放管Q1和Q2管所损耗的平均功率,所以每只晶体管的集电极功耗表达式为:

    瞬时最大的管压降*瞬时的电流 再求平均

    Pq=1/2Π(Vcc-Vomsin wt)*Vom/RL*sin wt*dwt

    =1/RL(Vcc*Vom/Π-Vom^2/4)

    假设dPq/dVom=0,可以求得,Vom=2/Π*Vcc≈0.6Vcc。

    以上分析表明,当Vom≈0.6Vcc时,Pq=Pqmax。 将Uom代入Pq==1/RL(VccVom/Π-Vom^2/4)  

    Pqmax=Vcc^2/Π^2RL

    当Vces=0时,根据Pom=Vom^2/RL=Vcc^2/2RL

    Pqmax=2*Pom/Π^2≈0.2Pom/Uces=0


    可见,晶体管集电极最大功耗仅为理想(饱和压降为0)时最大输出功率的五分之一。


    查询手册选择晶体管时,应使用极限参数

    Vbrceo>Vcc

    Icm>Vcc/RL

    Pcm>0.2Pom/Vces=0, Pcm集电极功耗


    这里仍需要强调的,在选择晶体管时,其极限参数,特别是Pcm应留一定的余量,并且严格按照手册PCBlayout或安装散热片。


    收藏 0 回复 0 浏览 252
  • 运放实现恒流源电路

    大家好!我是张飞实战电子郭嘉老师,今天给大家分享运放实现恒流源电路。


    image.png


    上图是运放搭建的恒流电路,和上期讲的一样,实现1mA的恒流源。他的工作原理主要通过运放的电压跟随电路和三极管的射级跟随电路。


    假设这里使用的U1A运放放大倍数是10万倍,三极管的放大倍数是β=100。刚开始上电时,假设Vin输入为2.5V,运放不带负反馈,运放输出2脚电平从0V开始往上升一直升到运放的饱和电压,即运放的供电电压+5V。如果加入负反馈,Vin=2.5V,假设运放的输出1脚此刻升到了1V,由于负载R4需要1mA的恒流源,Q1的Ic=1mA,β=100,可得Ib约等于1mA/100=0.01mA=10uA,从上面的数据可得,此时流过R2的电流是uA级别的,非常小,所以R2两端压降近似等于0V,1V的电压全部加到Q1的B极,Vb=1V,Q1的发射极E极Ve=0.3V,可得Q1的Ie电流为Ve/R3=0.3V/5.1k=58.8uA,同时Ve=0.3V,反馈到运放的2脚,由于接在运放反相端作反馈的,所以也叫负反馈。上图所示2脚得到一个电位与Ve电位相等Ve=0.3V,Vin还是2.5V,Vin-Ve=2.5-0.3=2.2V,运放放大倍数是10万倍如果没有负反馈输出直接会饱和了,这里的反馈可以使运放输出不会达到饱和,它会达到Vin的值2.5V,由于运放放大倍数是10万倍,运放的IN+和IN-的电压差可以忽略不计,也就得到VIN+=VIN-,也就是我们常说的运放“虚短”。


    如果Vin此时输入的是2.5V,VIN+输入为什么也是2.5V呢?答案很明显,运放输入阻抗接近无穷答,输入电流只有pA级,大的也就uA级,R1两端的压降约等于0V,所以Vin=VIN+,也就是运放的“虚断”。


    image.png

    根据虚断原理,Vin=VIN+;根据虚断原理,VIN+=VIN-=Vin=2.5V,当运放动态平衡后VIN-会稳定在2.5V,同理Ve=2.5V,根据Q1N三极管的射极跟随,Vb=Ve+0.7V=2.5+0.7V=3.2V,即运放的Vout=3.3V。从上面的数据可得,Ve=2.5V,R3=5.1K,I=2.5V/5.1K=0.49mA=490uA.我设计的目标值这里要达到1mA,根据Vin=VIN+=VIN-=5.1V,得Ve=5.1V,R3=5.1K,Q1的Ie=Ve/R3=5.1/5.1K=1mA,就达到我的设计要求了,这样负载R4就可以实现1mA的恒流了。

    收藏 0 回复 0 浏览 463
×
郭嘉